商城
支持
维修
固件
工具
文档
调研
产品手册
运费计算
支持
新闻
优势
新闻
大客户订单
合作伙伴
知识库
知识库
>
外围系统
>
详情
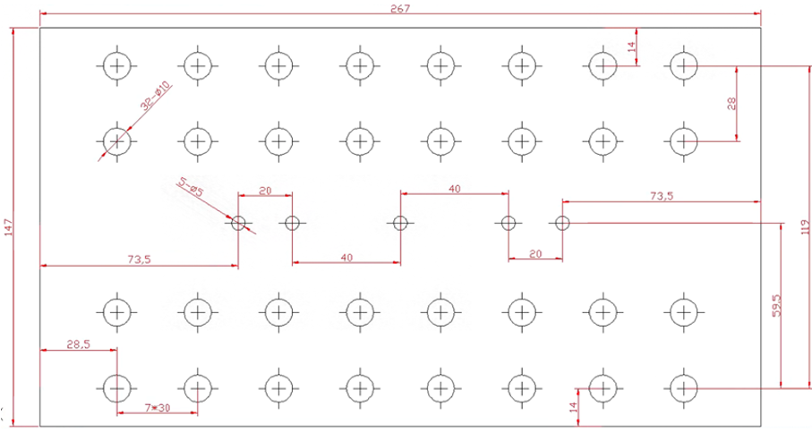
Tank内部均流支撑板开孔的设计依据是什么?请举一例参考方案。
Knowledge
Immersion-cooling
Supporting System
whatsminer
2026.02.05
255
0
分享到 facebook
分享到 X
依据PCB区域与电源区域的发热差异(电源区域流量占比5 - 10%)分配流量。
示例:第一种为 “8个Φ10孔对PCB大散热区&8个Φ10孔对PCB小散热区&5个Φ5孔对电源区”
图1-1
是否有帮助?
是
否
反馈
登录
去评论
热门标签
Knowledge
Immersion-cooling
Air cooling
Hydro-cooling
Performance
Supporting System
Cycle
Coolant
展开更多
热门
1
WhatsMinerTool_操作指南
8K+
2
神马水冷服务器_操作指南
5K+
3
WhatsMiner API_用户手册
5K+
4
神马风冷服务器_操作指南
4K+
5
WhatsMinerTool中关于我的服务器有两个错误码,包括530插槽0未找到和542插槽0读取芯片Id错误,我应该怎么做呢?
4K+
6
神马油冷服务器_操作指南
3K+
7
WhatsMinerTool中,如何使用“设置功率上限”功能来优化工作?
2K+
8
WhatsMinerTool中,性能模式如何影响服务器?
2K+
9
水冷服务器快速接头简介
2K+
10
在WhatsMinerTool中,如何通过配置功率调节进行超频?
2K+